1. Before installation, the end faces of the two shafts should be cleaned, and the matching of the key slots on the end faces should be checked.
2. After the diaphragm coupling is installed, run it normally for one shift, check all the screws, if found loose, tighten them, and repeat this for several shifts so as not to loosen.
3. In order to prevent the fretting wear of the diaphragm during high-speed operation, resulting in micro-cracks and damage to the diaphragm bolt holes, solid lubricants such as molybdenum disulfide can be applied between the diaphragms or anti-friction coatings can be applied to the diaphragm surface. layer processing.
4. The diaphragm coupling should avoid long-term overload use and operation accidents.
5. During the operation of the diaphragm coupling, it is necessary to check frequently whether the diaphragm coupling is abnormal, and if any abnormal phenomenon occurs, it should be repaired.
6. Diaphragm couplings Take appropriate safety protection measures in various places that may be caused by operating diaphragm couplings and equipment accidents.
1. Products with diaphragms have edges, which may cause injury. It is recommended to wear thick gloves when installing.
2. Please install a protective cover and other devices around the coupling for safety.
3. When the shaft center deviation exceeds the allowable value during installation, the coupling may be deformed, resulting in damage or shortened service life.
4. The allowable shaft center deviation of the coupling includes radial, angular and axial deviations. When installing, please adjust the shaft center deviation within the allowable value range in the corresponding product catalog.
5. When multiple deviations appear at the same time, the corresponding allowable value should be halved.
6. In order to prolong the service life of the coupling, it is recommended to set the shaft center deviation within 1/3 of the allowable value.
7. Tighten the screws after inserting the installation shaft, otherwise the coupling will be deformed. When tightening the screws, please use a torque wrench, and do not use screws other than accessories for installation.
8. If there is abnormal sound during operation, please stop the operation immediately, and check the installation accuracy and screw looseness respectively. It is recommended to apply adhesive on the outer surface of the screw after installation and debugging to increase the protection performance.
Single-diaphragm couplings are widely used in shafting transmission of various mechanical devices, such as water pumps (especially high-power, chemical pumps), fans, compressors, hydraulic machinery, petroleum machinery, printing machinery, textile machinery, chemical machinery, Mining machinery, metallurgical machinery, aviation (helicopter), ship high-speed power transmission system, steam turbine, piston power mechanical transmission system, tracked vehicle, and high-speed and high-power mechanical transmission system of generator set, applied to high-speed after dynamic balancing Transmission shafting has become more common.

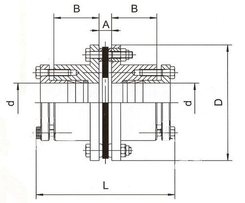
Specification | Apertured mm | D mm | L mm | A mm | B mm | Weight kg | Allowable speed rpm | Nominal torque N.m. | Allowable compensation | |
Angular(°) | Axial mm | |||||||||
01 | 8-22 | 68 | 90 | 6.1 | 26 | 0.85 | 20000 | 33 | 1 | ±0.8 |
02 | 10-32 | 81 | 95 | 6.6 | 26 | 1.2 | 20000 | 90 | 1 | ±1.0 |
03 | 10-35 | 93 | 110 | 8.4 | 29 | 1.7 | 18000 | 173 | 1 | ±1.2 |
04 | 10-42 | 104 | 124 | 11.2 | 34 | 2.7 | 15000 | 245 | 1 | ±1.4 |
05 | 15-50 | 126 | 152 | 11.7 | 42 | 6.5 | 13000 | 420 | 1 | ±1.6 |
06 | 15-60 | 143 | 170 | 11.7 | 48 | 8.9 | 12000 | 772 | 1 | ±1.8 |
07 | 20-70 | 168 | 210 | 16.8 | 58 | 15.8 | 10000 | 1270 | 1 | ±2.5 |
0531-69959201
lqg18653457231
+86-18653457231
No 12111,Jingshi Road, Lixia District, Jinan City, Shandong Province. P.R. China
Professional customer service team, professional after-sale services create a comprehensive high-quality, advanced technology, reliable products, which gives you a strong sense of security.
Professionals, professional skills and precision oil and gas equipment insure that we can provide you with professional product customization service.
The best quality products, strict quality control system and good reputations established Saigao product's irreplaceable place.
Superb technical team with continuous technological innovation, closely follow the market's trend help you to create the highest performance products.
English
日本語
français
Español
русский
português
العربية
tiếng việt
ไทย
Polska
română